شرکت Ningbo Richge Technology ، Ltd.
شرکت Ningbo Richge Technology ، Ltd.
محصولات
ZN12-12 سری یکپارچه ستون خلاء خلاء مدار شکن
  • ZN12-12 سری یکپارچه ستون خلاء خلاء مدار شکنZN12-12 سری یکپارچه ستون خلاء خلاء مدار شکن
  • ZN12-12 سری یکپارچه ستون خلاء خلاء مدار شکنZN12-12 سری یکپارچه ستون خلاء خلاء مدار شکن

ZN12-12 سری یکپارچه ستون خلاء خلاء مدار شکن

Model:ZN12-12
ZN12-12 Series Indoor AC HV Circuit Circuit Circuit تجهیزات داخلی سه مرحله AC 50Hz ، ولتاژ دارای 12 کیلو ولت است که این فناوری را از شرکت آلمانی معرفی می کند. این مناسب برای منطقه ای با انواع بار و عملکرد مکرر مناسب است و می تواند برای محافظت و کنترل صنعتی و معدن ، شرکت ، نیروگاه و امکانات الکتریکی پستی استفاده شود. این محصول مطابق با نیاز مرتبط با استانداردهای GB1984 ، JB3855 ، DL403 و IEC است.

ZN12-12 سری یکپارچه ستون خلاء خلاء مدار شکن

  ZN12-12 ولتاژ خلاء ولتاژ با ولتاژ بالا ولتاژ دارای ولتاژ 12 کیلو ولت و سوئیچ ولتاژ با ولتاژ داخلی زیر ، که به طور عمده در سوئیچ ثابت نصب شده است ، برای شرکت های صنعتی و معدن ، نیروگاه ها و زیرزمین ها برای محافظت و کنترل تسهیلات الکتریکی نصب شده است و برای شکستن بار مهم و کار مکرر مناسب است!

  قطع کننده های مدار خلاء سری ZN12 دستگاه سوئیچ ولتاژ با ولتاژ بالا با ولتاژ دارای امتیاز 12 کیلو ولت ، 24kV و 40.5kV و سه فاز AC 50Hz هستند. این یک محصول داخلی است که با معرفی فناوری آلمانی زیمنس 3AF آلمانی ساخته شده است. مکانیسم عملیاتی قطع کننده مدار یک نوع ذخیره انرژی بهاری است که می تواند توسط AC یا DC یا به صورت دستی اداره شود. قطع کننده مدار دارای ساختار ساده ، ظرفیت شکستن قوی ، عمر طولانی و عملکردهای عملکرد کامل است. و هیچ خطری برای انفجار وجود ندارد و نگهداری آن ساده است. این مناسب برای کنترل یا حفاظت از سیستم های انتقال و توزیع نیرو مانند نیروگاه ها ، پستهای و شرکت های صنعتی و معدن مناسب است ، به ویژه برای شکستن بارهای مهم و مکان های مکرر. فرم نصب قطع کننده مدار در کابینت سوئیچ می تواند یک نوع ثابت باشد یا یک شکن مدار برداشت قابل برداشت. این محصول با استانداردهای مربوطه مانند GB1984 ، JB3855 و IEC62271-100 "قطع کننده مدار AC ولتاژ بالا" مطابقت دارد.


مزایای:

1. قطع کننده مدار ارزیابی وزارت ماشین آلات و وزارت برق را در اوت 96 تصویب کرد ، به این معنی که کیفیت کاملاً تضمین شده است.

مکانیسم قطع کننده مدار با سوئیچ یکپارچه شده است و مکانیسم خاص محرک انرژی بهار بهار می تواند با ذخیره انرژی AC و DC یا به صورت دستی اداره شود.

با ساختار ساده ، ظرفیت شکستن قوی ، عمر طولانی ، عملکردهای کامل ، عملکردهای کامل ، بدون خطر انفجار و تعمیر و نگهداری آسان ، این قطع کننده مدار برای کنترل یا محافظت از سیستم انتقال قدرت و توزیع قدرت مانند نیروگاه ، شبکه برق شهر ، پستی و غیره مناسب است. این خصوصاً برای شکستن بارها و مکان های مهم با عملکرد مکرر مناسب است.


ویژگی ها:

1. ظرفیت شکستن محفظه خاموش قوس زیاد است ، ظرفیت حمل فعلی کم است و عمر الکتریکی طولانی است.

2. طرح از جلو به عقب ، ساختار ساده و جمع و جور ، عملکرد کامل و نگهداری آسان است.

3. به منظور ساختار و نصب ، آنها را می توان به: نوع ثابت افقی ، نوع ثابت شیب دار ، نوع متحرک مجموعه میانی تقسیم کرد.






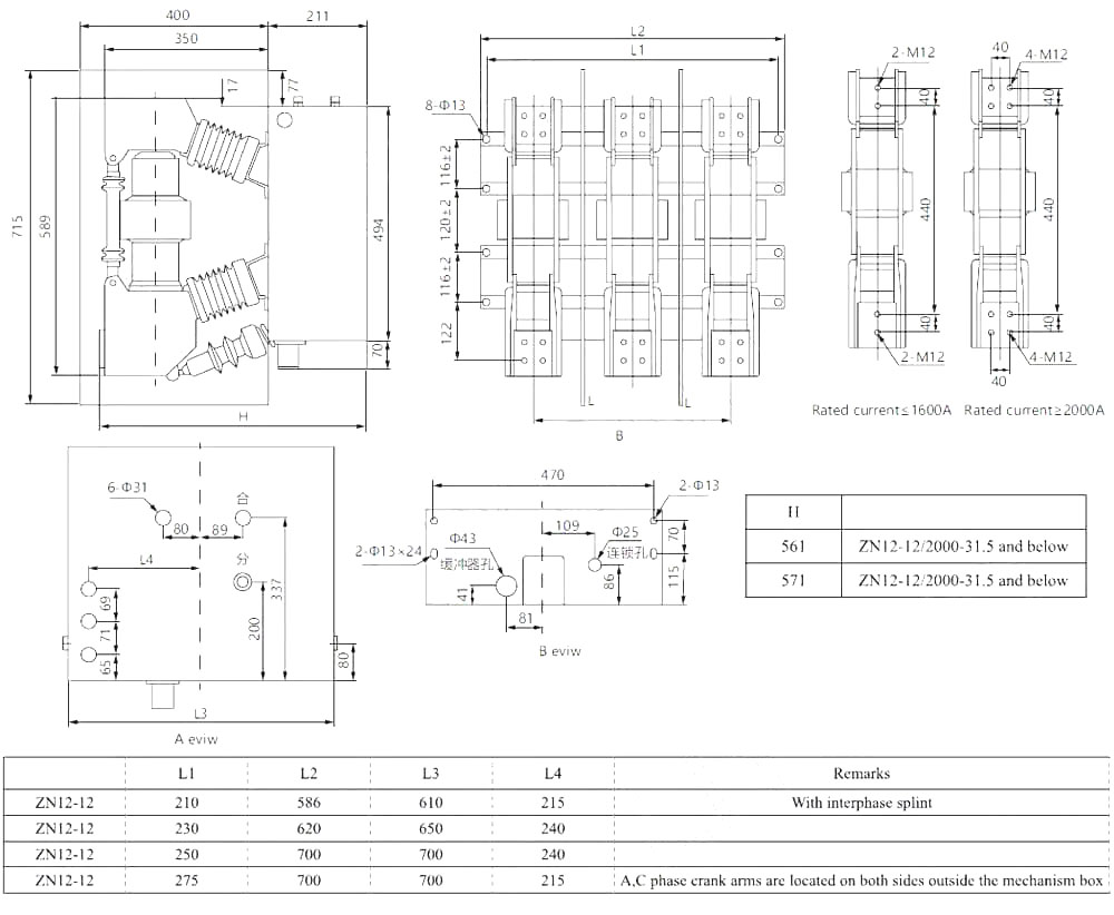
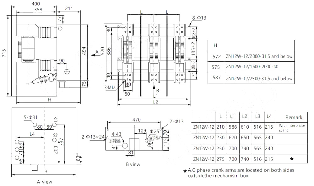
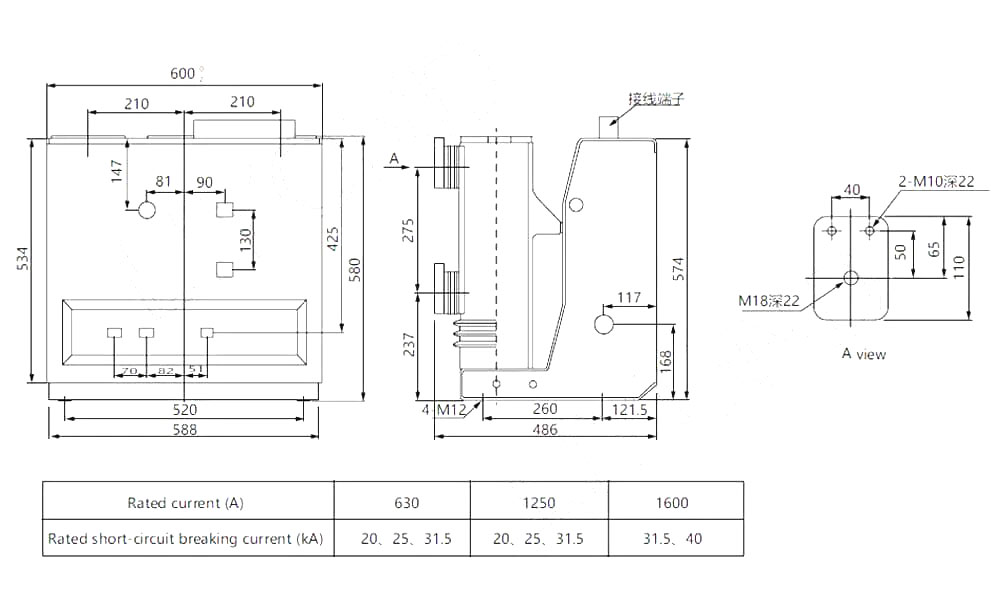
اطلاعات اساسی



پارامترهای فنی



نقشه های فنی


شرایط استفاده از ZN12-12 یکپارچه ستون Vacuum Circuit Breaker1. ارتفاع: 1000 متر ؛ (ارتفاع نمونه اولیه می تواند به زیر 4000 متر برسد)

2. دمای محیط: بالاترین +40 درجه سانتیگراد ، کمترین -25 درجه سانتیگراد ؛

رطوبت نسبی: میانگین روزانه بیش از 95 ٪ ، میانگین ماهانه بیش از 90 ٪ نیست.

4. شدت زمین لرزه: کمتر از 8 ؛

5. محیط نصب: بدون آتش سوزی ، خطر انفجار ، بدون گاز خورنده و بدون مکان لرزش خشونت آمیز.

6. اگر محیط استفاده بیش از موارد فوق است ، لطفاً با سازنده قطع کننده مدار خلاء تماس بگیرید.




پرسش

س: آیا می توانم قیمت محصولات شما را داشته باشم؟

پاسخ: خوش آمدید. لطفا در صورت تمایل به ما استعلام ارسال کنید. ما طی 24 ساعت به شما پاسخ خواهیم داد.


س: آیا می توانم قبل از سفارش فله نمونه ای تهیه کنم؟

پاسخ: بله ، ما از سفارش نمونه برای آزمایش و بررسی کیفیت استقبال می کنیم. نمونه های شکل داده شده قابل قبول هستند.


س: آیا می توانیم نام آرم/ شرکت خود را روی محصولات چاپ کنیم؟

پاسخ: بله ، البته ، ما OEM را می پذیریم ، سپس به شما نیاز دارید که مجوز برند را به ما ارائه دهید


س: آیا سفارشی سازی محصول را قبول می کنید؟

پاسخ: بله ، البته ، لطفاً نقشه ها یا پارامترهای خاصی را ارائه دهید ، ما پس از ارزیابی شما را نقل قول خواهیم کرد


س: زمان سرب چیست؟

پاسخ: زمان سرب به مقادیر سفارش داده شده بستگی دارد ، به طور کلی ظرف 7-20 روز پس از دریافت پرداخت.


س: شرایط تجارت شما چیست؟

پاسخ: ما EXW ، FOB ، CIF ، FCA و غیره را می پذیریم.


س: روش پرداخت شما چیست؟  

پاسخ: ما T/T ، Western Union ، PayPal ، L/C غیرقابل برگشت در دید و غیره را می پذیریم


س: آیا محصولات نهایی را بازرسی می کنید؟

پاسخ: بله ، هر مرحله از تولید و محصولات نهایی قبل از حمل و نقل توسط بخش QC بازرسی می شود. و ما گزارش های بازرسی کالا را برای مرجع شما قبل از حمل و نقل ارائه خواهیم داد


س: چگونه می توان مشکلات کیفیت را بعد از فروش حل کرد؟

پاسخ: از مشکلات کیفیت عکس بگیرید و برای بررسی و تأیید ما برای ما ارسال کنید ، ما طی 3 روز یک راه حل رضایت بخش برای شما ایجاد خواهیم کرد.




کارخانه


گواهی




تگ های داغ: ZN12-12 سری یکپارچه ستون ستون خلاء خلاء ، چین ، تولید کننده ، تأمین کننده ، کارخانه ، قیمت پایین ، کیفیت ، آخرین فروش ، پیشرفته
ارسال استعلام
اطلاعات تماس
  • نشانی

    No.1083 Zhongshan East Road ، منطقه یینژو ، شهر نینگبو ، استان ژجیانگ ، چین

  • پست الکترونیک

    sales@switchgearcn.net

برای پرس و جو در مورد تابلو برق فشار ضعیف، عایق های فشار قوی، کلید ارت فشار قوی یا لیست قیمت، لطفا ایمیل خود را به ما بسپارید و ما ظرف 24 ساعت با شما تماس خواهیم گرفت.
X
ما از کوکی ها استفاده می کنیم تا تجربه مرور بهتری به شما ارائه دهیم، ترافیک سایت را تجزیه و تحلیل کنیم و محتوا را شخصی سازی کنیم. با استفاده از این سایت، شما با استفاده ما از کوکی ها موافقت می کنید. سیاست حفظ حریم خصوصی
رد کردن قبول کنید